System TA 200TA 207/208
Dieses Baukastensystem ermöglicht es, Planklebegeräte individuell und auch für spezielle Anwendungen aus Standardkomponenten zu fertigen.
Bereits die verfügbaren Standardgeräte dieser Baureihe decken die meisten Anforderungen im Bereich automatisierter Klebebandapplikationen ab.
Dies ist der Schlüssel für kurze Lieferzeiten und ein preiswertes Produkt in hoher Qualität.
Grundsätzlich wird dieses System in 2 verschiedenen Konfigurationen angeboten.
Je nach Anwendungsfall werden ein oder zwei Zylinder zum betreiben der Trenn.- bzw. der Auftrageeinheit zum Einsatz gebracht. Die Zylinderanzahl nimmt keinen Einfluss auf relevante Baumaße. Üblicherweise wie auch bei allen anderen Geräten der Serie TA und TE bieten wir auch dieses in Links.- und Rechtsausführung an.
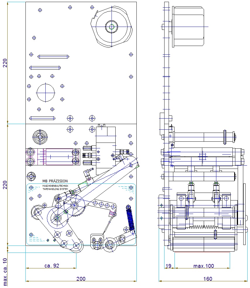
Grundmaße eines TA 207 mit Einzelzylinder
-Baugruppenübersicht TA 207 mit Einzelzylinder
POSITION | BENENNUNG |
1 | Grundplatte, unten; Grundplatte, oben |
2 | Auftrageeinheit |
3 | Trenneinheit |
4 | Nachdrückeinheit |
5 | Zylindereinheit |
6 | Umlenkrolle |
7 | Führungsrolle |
8 | |
9 | Niederhalterolle |
10 | Schutzscheibe |
11 | Spulenkern |
12 |
Einfädelschema
bei der Ausführung mit 2 Zylindern wird das stabilisierende Joch über 3 Achspunkte montiert um entstehende Kräfte noch besser zu fangen.
Grafiken für TA 208 mit Doppelzylinder